製造過程で加工部品にオイル汚れ、切削切粉などが付着します。これらの異物を適切に除去し、品質の高い製品を提供するためには、洗浄機が重要な役割を果たします。そして、洗浄の品質を維持し、効率的な生産を支えるためには、洗浄・乾燥・環境対応・自動化・省人化・メンテナンス性 等の機能向上が求められます。
一般的には洗浄機メーカー各社は大物部品用を対象の大型洗浄機が多く、弊社は小部品を対象とした 小型、低価格の洗浄機を目指しました。
 
    
| 参考価格 210万円 | 
(治具無しの場合)
○詳細説明
1.小部品に特化の小型・低価格の洗浄装置
洗浄ワークサイズを 250×250くらい迄とし、装置高さを抑えた設計で、ワークを上から脱着する方式とし、装置巾500と小型で低価格を実現しました。
2.単独ワーク狙い撃ち・バッチ方式の洗浄装置
単独ワークの洗浄したい部分に噴射ノズルを定めて狙い撃ちする洗浄方式で、スタートONで
洗浄・エアブローの全工程完了で、シャッターが開いて終了するバッチ方式でです。
3.独自の噴射方式による洗浄力向上・サイクルタイム短縮
エアを混合の洗浄水を、独自のロータリーノズルからの噴射で、低圧・低吐出ポンプで効果的な洗浄性能が得られ、タンク・装置の小型化でコスト低減・サイクルタイ短縮が計られます。
4.洗浄機に必要とされる機器を本体組込の簡易構造
洗浄装置に必要とされる、洗浄時・洗浄後のミスト飛散防止のためのミストコレクタ― および、洗浄水タンクに混入さてるオイル成分等の除去のためのオイルスキマーの機能を本体側に備えた構造にしたことで、コストダウンとメンテナンス軽減に寄与します。
5. 洗浄水浄化対応を考慮した設計
洗浄後の洗浄水は下部のタンクに流れ込み、再度ポンプで洗浄水を汲み上げて洗浄を行います。
洗浄水をポンプでくみ上げるまでの経路の必要と思われる浄化対策の対応はしております。
6.シャッターによるケガ防止の安全設計
上下開閉シャッターは軽量仕様で、エアシリンダーで受けながら自重で閉じます。それにより、挟まれによるケガ防止のための安価で安全な設計としています。
7.簡単設置で直ぐに稼働
200V電源とコンプレサーのカプラを接続するだけで稼働ができます。
特に安全が必要と思われる場合は、付属のアンカーボルトで床に固定して下さい。
ワーク付着の油分は、洗浄水を温水とした方がより効果的です。その為の仕様で、安全を考慮してmax55℃ としています。
一般には作業者がワークの脱着を行いますが、ロボットで行う場合のために、洗浄・乾燥が完了後、シャッター”開”の信号でロボットが対応できるための端子台仕様です。
部品自動洗浄機をベースに開発した、マシニングツールおよび長尺部品を対象にした洗浄機です。
○特徴
・基本的な特徴は、部品自動洗浄機と同じ
・装置巾500で、正面からワークの脱着
・マシニング用ツール等・長尺品の重量物に対応
(最長900,最重量30Kg)
・治具に取付けたワークに、狙い撃ち洗浄
・集中洗浄噴射ノズルの上下動での洗浄・エアブロー方式
・ワーク有無のセンサー付き
○詳細説明
 
    
| 参考価格 210万円 | 
(治具無しの場合)
○特徴
・基本的な特徴は、部品自動洗浄機と同じ
・装置巾500で、正面からワークの脱着
・マシニング用ツール等・長尺品の重量物に対応
(最長900,最重量30Kg)
・治具に取付けたワークに、狙い撃ち洗浄
・集中洗浄噴射ノズルの上下動での洗浄・エアブロー方式
・ワーク有無のセンサー付き
○詳細説明
ワーク重要部の集中洗浄を行うため、数個の噴射ノズルのセットを目視で手動ボタンでの位置合わせを行い、スタートして上下運動を繰り替えしながら噴射・エアブローを行い、より効果を高める洗浄仕様です。
 
    
| 参考価格 330万円 | 
(治具込み)
弊社洗浄機のための、様々な独自開発の洗浄機器を用意しています。
下記は、それらの一部の紹介例
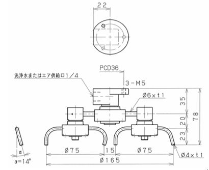
・ロータリーノズル
エアの噴射力での回転で、ワークの周りを回りながら立体的に配置の複数噴射口から、洗浄水または、ブローエアをエアガンの如く直噴射するため効果的な威力を発揮します。
 
    
・ダブルロータリーノズル
2組のロータリーノズルが回転センターの両側に配置された構造で、エア噴射力でそれぞれが回転、中心に対して公転して、その範囲全体に下向き多方向からエアガン的直噴射をするため威力ある洗浄およびエアブローを行います。
 
    
・低速回転エアモータ
構造的にはロータリーノズルと同じで、エアの噴射力で回転します。
その上部に取付けた治具、アタッチメントに洗浄ワークを取付けて使います。
 
    
| 参考価格 35万円 | 
 
    
| 参考価格 14.4万円 | 
 
    
| 参考価格 7.5万円 | 
